
Gedetailleerde produkbeskrywing
| Voordeel: | Hoë spoed | Etiketteringspoed: | 60-200 stuks / min |
|---|---|---|---|
| Funksie: | Kleefsticker-etikettering | Materiaal: | Vleklose staal |
| Botteltipe: | Outomatiese ronde botteletiketkruik | Toepassing: | Vir alle soorte ronde houers |
| Plc-handelsmerk: | MITSUBISHI (Japan) | Servo-etiketteringsmotor: | DELTA (Taiwan) |
rooiwyn etiketteringsmasjien glas wynbottel etiketteringsmasjien, PLC-beheerstelsel MITSUBISHI handelsmerk etiketteringsmasjien
Kenmerke:
1. Bedryf: PLC-beheerstelsel maak etiketteringsmasjien maklik om te gebruik
2. Materiaal: Die etiketmasjien se hoofdeel is gemaak van SUS304 vlekvrye staal
3. Konfigurasie: Ons etiketteringsmasjiene neem bekende Japannese, Duitse, Amerikaanse, Koreaanse of Taiwan handelsmerkonderdele aan
4. Buigsaamheid: kliënt kan kies om drukker en kodemasjien by te voeg; kan gekies het om met converyer te skakel of nie.
Tegniese parameters:
| Naam | Outomatiese ronde wynbottel vir 'n hoë spoed mou krimp ronde bottel etiketteringsmasjien |
| Etiketteringspoed | 60-350 stuks / min |
| Hoogte van voorwerp | 30-350mm |
| Dikte van voorwerp | 20-120mm |
| Hoogte van etiket | 5-180mm |
| Lengte van etiket | 25-300mm |
| Etiketrol binne-deursnee | 76mm |
| Etiketrol buite deursnee | 420mm |
| Akkuraatheid van etikettering | ± 1mm |
| Kragtoevoer | 220V 50 / 60HZ 3.5KW |
| Gasverbruik van drukker | 5 kg / m2 (indien koderingsmasjien bygevoeg word) |
| Grootte etiketmasjien | 2800 (L) × 1650 (B) × 1500 (H) mm |
| Gewig van etiketteringsmasjien | 180kg |
Konfigurasie
| Geen. | Deel | handelsmerk | hoeveelheid |
| 1 | PLC | MITSUBISHI (Japan) | 1 |
| 2 | Hoof omskakelaar | DANFOSS (Denemarke) | 1 |
| 4 | HMI | WEINVIEW (Taiwan) | 1 |
| 5 | Servomerkingsmotor | DELTA (Taiwan) | 1 |
| 6 | Motorbestuurder vir servomerking | DELTA (Taiwan) | 1 |
| 7 | Vervoer motor | HY (Taiwan) | 1 |
| 8 | Vervoer motor ratkas | HY (Taiwan) | 1 |
| 9 | Verdeel bottelmotor | GPG (Taiwan) | 1 |
| 10 | Verdeel bottelmotor ratkas | GPG (Taiwan) | 1 |
| 11 | Motorsnelheidsreguleerder wat die bottel skei | GPG (Taiwan) | 1 |
| 12 | Gepraat motor | GPG (Taiwan) | 1 |
| 13 | Spoke motor ratkas | GPG (Taiwan) | 1 |
| 14 | voorwerp bespeur magiese oog | OMRON (Japan) | 1 |
| 15 | optiese vesel | OMRON (Japan) | 1 |
Masjienbesonderhede:

32 hoof etiketteringsmasjienonderdele

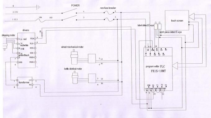
Stroombaandiagram

Vrae:
1.etiket kry borrels
Redes:
Board die bord afskilfer is nie goed nie / nie plat nie;
② ploegplank is nie goed / nie plat nie;
③ die etiketteringsuitset is te vinnig of die spoed van die monteerbaan te laag;
④ die etiket is te los getrek
Oplossings:
① verander 'n plat skil van die bord;
② verander 'n plat ploegbord;
③ vertraag die etiketteringsuitset of verhoog die snelheid van die monteerbaan;
④ druk die etiketband behoorlik.
Tag: industriële etiketteringsmasjien, etiketmasjien vir glasbottels









